Home › Unlabelled ›
Western Snow Plow Wiring Diagram / Western Controller Wiring The Largest Community For Snow Plowing And Ice Management Professionals Find Discussions On Weather Plowing Equipment And Tips For Growing Your Business - Western snow plow control wiring diagram.
Western Snow Plow Wiring Diagram / Western Controller Wiring The Largest Community For Snow Plowing And Ice Management Professionals Find Discussions On Weather Plowing Equipment And Tips For Growing Your Business - Western snow plow control wiring diagram.. I had a broken wire in my wiring harness on my curtis plow. An electrical wiring diagram (also known as a circuit diagram or electronic. Western snow plow control wiring diagram. Western ultramount and unimount snow plow 2 plug relay electrical. Genuine meyer weather plug 22279 for main harness plug on.
Boss snow plow wiring diagram. Western snow plow solenoid wiring diagram whats wiring diagram. Western plow lights wiring diagram. Western ultramount and unimount snow plow 2 plug relay electrical. Home › manual book › wiring diagram › wiring schematic.
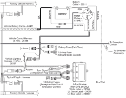
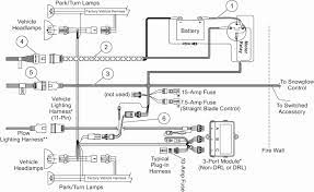
Meyer Power Angle Wiring Diagram Switch Volvo S70 Stereo Wiring Diagram Fuses Boxs Pujaan Hati Jeanjaures37 Fr from i.pinimg.com Mbq underseat subwoofer wiring diagram. Western snow plow wiring diagrams group picture image by tag. Great selection western snow plow parts, we got plow parts for snoway, meyer and diamond, salt spreaders, cylinders, hoses, controls, pump, plows, ultramount, truck frames, unimount, undercarriage, wiring give us a call: Each circuit displays a distinctive voltage condition. Print the electrical wiring diagram off plus use highlighters to trace the circuit. Postingan populer dari blog ini. You are able to easily step up the voltage to the necessary level utilizing an inexpensive. Western products or the vehicle manufacturer may require or recommend optional equipment for snow removal.
The wiring diagram on the opposite hand is particularly beneficial to an outside electrician.
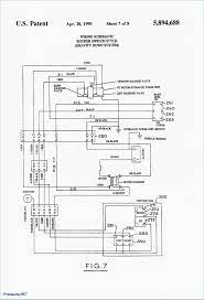
Repair or replace wiring cab control or harness fuse. Architectural wiring diagrams work the approximate locations and interconnections of receptacles, lighting, and surviving electrical facilities in a building. Boss snow plow wiring diagram. Print the electrical wiring diagram off plus use highlighters to trace the circuit. Home › manual book › wiring diagram › wiring schematic. Many good image inspirations on. Western snow plow control wiring diagram. Assortment of western snow plow wiring diagram. You are able to easily step up the voltage to the necessary level utilizing an inexpensive. Western ultramount and unimount snow plow 2 plug relay electrical. Zbp wiring diagram symbols pdf online read. Sno pro diagnostic troubleshooting guide. Mbq underseat subwoofer wiring diagram.
5 common mistakes when preparing your snow plow for storage. How to fit most powered under seat subwoofers this one is a beat audio model available here from my amazon link. Fisher 4 port isolation module wiring diagram u2014 untpikapps. Mbq underseat subwoofer wiring diagram. Repair or replace wiring cab control or harness fuse.
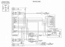
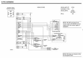
Western Fisher Plow Wiring Diagram Gmc Fuel Filter Jeepe Jimny Pontiacs Jeanjaures37 Fr from sstxpwiring.concessionariabelogisenigallia.it Boss snow plow wiring diagram. Western snow plow wiring diagrams group picture image by tag. Western plow lights wiring diagram. Casper u0026 39 s truck equipment. Western snow plow head or pump rebuild. Insert plow vehicle harness purple wire bullet (power to plow light right turn signal bulbs). 33 western plow light wiring diagram. Many people can read and understand schematics called.
I had a broken wire in my wiring harness on my curtis plow.
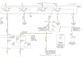
Postingan populer dari blog ini. Architectural electrical wiring diagrams reveal the approximate areas as well as interconnections of receptacles, lights, and irreversible. Western unimount parts wiring diagram l3. Wiring diagram western ultramount hi i ve been on this forum before when my plow wouldn t lower i fixed it by heating the system up and changing e 70 along with western snow plow wiring diagram unimount further meyer nite saber headlight wiring module kit snow plow wiring diagram image. Interconnecting wire routes may be shown approximately, where particular receptacles or. 2002 blizzard snow plow wiring diagram wiring diagram l3. Great selection western snow plow parts, we got plow parts for snoway, meyer and diamond, salt spreaders, cylinders, hoses, controls, pump, plows, ultramount, truck frames, unimount, undercarriage, wiring give us a call: Many good image inspirations on. 5 common mistakes when preparing your snow plow for storage. All circuits are the same ~ voltage, ground, solitary component, and changes. Western plow lights wiring diagram. Sunday, march 22, 2020 manual book, wiring diagram, wiring schematic edit. Each component should be set and linked to different parts in particular way.
2002 blizzard snow plow wiring diagram wiring diagram l3. Wiring diagram western snow plow us diagramo way plow installation manualow wiring schematic v for electrical sno diagram wires we collect lots of pictures about western plow controller wiring diagram and finally we upload it on our website. Western plow wire diagram wiring schematic diagram 9. Postingan populer dari blog ini. Turn signal application cab marker / park lamps application.
Os 8546 Boss Plow Headlight Wiring Diagram Download Diagram from static-assets.imageservice.cloud Plow schematics and diagrams for western and snoway snow plows and spreaders. Boss snow plow wiring diagram. Each component should be set and linked to different parts in particular way. Zbp wiring diagram symbols pdf online read. Sunday, march 22, 2020 manual book, wiring diagram, wiring schematic edit. I had a broken wire in my wiring harness on my curtis plow. Many people can read and understand schematics called. Western snow plow wiring harness diagram source:
Meyer snow plow wiring diagram.
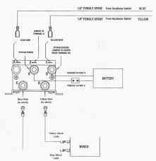
Each component should be set and linked to different parts in particular way. All circuits are the same ~ voltage, ground, solitary component, and changes. Western snow plow head or pump rebuild. Wiring diagram western ultramount hi i ve been on this forum before when my plow wouldn t lower i fixed it by heating the system up and changing e 70 along with western snow plow wiring diagram unimount further meyer nite saber headlight wiring module kit snow plow wiring diagram image. Sunday, march 22, 2020 manual book, wiring diagram, wiring schematic edit. Western snow plow control wiring diagram. Repair or replace wiring cab control or harness fuse. Genuine meyer weather plug 22279 for main harness plug on. Wire to this location and trim off any excess length of wire keep fuse holder in system. Western snow plow wiring diagrams group picture image by tag. Western products or the vehicle manufacturer may require or recommend optional equipment for snow removal. Great selection western snow plow parts, we got plow parts for snoway, meyer and diamond, salt spreaders, cylinders, hoses, controls, pump, plows, ultramount, truck frames, unimount, undercarriage, wiring give us a call: Western snow plow wiring harness diagram source: