Home › Unlabelled ›
2006 Pontiac G6 Fuse Box Diagram - 04 Chevy Trailblazer Fuse Box Diagram / Because your fuse box diagram is stamped directly on the box, that part is easy.
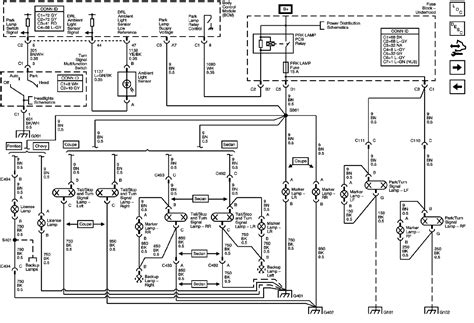
2006 Pontiac G6 Fuse Box Diagram - 04 Chevy Trailblazer Fuse Box Diagram / Because your fuse box diagram is stamped directly on the box, that part is easy.. A box with the word caution is used to tell about things that could hurt you or others if you were to ignore the warning. I have a 2006 pontiac g6, recently both of my 12v/120w plugins have stopped working. 09 10 pontiac g6 fusebox fuse box relay unit module. Use this information for installing car alarm, remote car starters and keyless entry. 2008 pontiac g6 owner manual m.
Check the fuse box under the hood, there should be a diagram on the inside of the cover to show where the fuse is located in the box. Looking for the specific fuse for a pontiac gt g6 2005 model. Tail lights parking lights illumination lights license plate light front side marker lights rear side marker lights glove box light. Fuse box diagram (location and assignment of electrical fuses and relays) for pontiac g6 (2005, 2006, 2007, 2008, 2009, 2010). My pontiac g6 2009 interior fuse box is not getting enough power, dome lights, windows, lock and unlock, wipers, kinda get the point but there not.
Pontiac G6 (2005 - 2006) - fuse box diagram - Auto Genius from www.autogenius.info 2006 pontiac g6 base v6. Take care of your 2006 pontiac g6 and you'll be rewarded with years of great looks and performance. The driver front seat up/down switch is not working. Since then i have changed the fuses using some internet fuse diagrams. However, reading it may require a little practice. We use a box and the word caution to tell about things that could hurt you if you were to ignore the warning. The video above shows how to replace blown fuses in the interior fuse box of your 2007 pontiac g6 in addition to the fuse panel diagram location. These mean there is something that could hurt you or other people.
The video above shows how to replace blown fuses in the interior fuse box of your 2007 pontiac g6 in addition to the fuse panel diagram location.
Here's everything you need to know about the fuse box diagram in your pontiac firebird, and how you can use it to fix everyday electrical problems. Check the fuse box under the hood, there should be a diagram on the inside of the cover to show where the fuse is located in the box. The fuse is in location 50. Access the fuse block through the trunk panel on the driver side of the rear cargo area. I found a 89 diagram, but it was a wrong one, since the. 09 10 pontiac g6 fusebox fuse box relay unit module. Why would it short out all of a sudden? A box with the word caution is used to tell about things that could hurt you or others if you were to ignore the warning. My fusebox is literally blackened (i don't see the numbers) and my car electronics is doing some weird stuff. The instrument panel fuse block is located on the passenger's side of the vehicle, on the lower portion of the instrument panel console near the floor. The video above shows how to replace blown fuses in the interior fuse box of your 2007 pontiac g6 in addition to the fuse panel diagram location. The electrical diagram for the 1979 pontiac firebird instrument panel is found in the maintenance manual. So if you are missing it too.here it is.
2006 pontiac g6 base v6. Take care of your 2006 pontiac g6 and you'll be rewarded with years of great looks and performance. The fuse is in location 50. This is where your second fuse box is located. Access the fuse block through the trunk panel on the driver side of the rear cargo area.
Repair Guides from repairguide.autozone.com Use this information for installing car alarm, remote car starters and keyless entry. Here's everything you need to know about the fuse box diagram in your pontiac firebird, and how you can use it to fix everyday electrical problems. Cigar lighter (power outlet) fuse in the pontiac g6 is the fuse #20 in the luggage compartment fuse box. These mean there is something that could hurt you or other people. Since then i have changed the fuses using some internet fuse diagrams. Tail lights parking lights illumination lights license plate light front side marker lights rear side marker lights glove box light. Check the fuse box under the hood, there should be a diagram on the inside of the cover to show where the fuse is located in the box. The video above shows how to replace blown fuses in the interior fuse box of your 2007 pontiac g6 in addition to the fuse panel diagram location.
I have a 2006 pontiac g6, recently both of my 12v/120w plugins have stopped working.
Here's everything you need to know about the fuse box diagram in your pontiac firebird, and how you can use it to fix everyday electrical problems. Page 1 2006 pontiac g6 owner manual seats and restraint systems. Why would it short out all of a sudden? Now take your owners manual from glove box and look at the section. 2006 pontiac g6 base v6. Whether your an expert pontiac electronics installer or a novice pontiac enthusiast with a 2006 pontiac g6, a pontiac car stereo wiring diagram can save yourself a lot of time. Tail lights parking lights illumination lights license plate light front side marker lights rear side marker lights glove box light. The video above shows how to replace blown fuses in the interior fuse box of your 2007 pontiac g6 in addition to the fuse panel diagram location. The diagram can also be obtained from most general motors dealerships. The video above shows how to replace blown fuses in the interior fuse box of your 2007 pontiac g6 in addition to the fuse panel diagram location. I have a 2006 pontiac g6, recently both of my 12v/120w plugins have stopped working. 09 10 pontiac g6 fusebox fuse box relay unit module. Looking for the specific fuse for a pontiac gt g6 2005 model.
When engine is shut off power stays on? One of the most time consuming tasks with installing an after market car stereo, car radio, car speakers, car subwoofer, car. The instrument panel fuse block is located on the passenger's side of the vehicle, on the lower portion of the instrument panel console near the floor. Looking for the specific fuse for a pontiac gt g6 2005 model. Why would it short out all of a sudden?
2006 Pontiac Grand Prix Fuse Panel Diagram - Wiring Forums from i0.wp.com Our vast selection of premium accessories and parts ticks all the boxes. Why would it short out all of a sudden? Because your fuse box diagram is stamped directly on the box, that part is easy. Access the fuse block through the trunk panel on the driver side of the rear cargo area. 2006 pontiac g6 base v6. These mean there is something that could hurt you or other people. I'm not seeing any power to the plug that comes through the carpet into the seat. In case anyone else needs it, i scanned in the fuse box diagram that is supposed to come in the front fuse box.
Why would it short out all of a sudden?
Fuse box in the engine compartment. Whether your an expert pontiac electronics installer or a novice pontiac enthusiast with a 2006 pontiac g6, a pontiac car stereo wiring diagram can save yourself a lot of time. Our vast selection of premium accessories and parts ticks all the boxes. Because your fuse box diagram is stamped directly on the box, that part is easy. Tail lights parking lights illumination lights license plate light front side marker lights rear side marker lights glove box light. One of the most time consuming tasks with installing an after market car stereo, car radio, car speakers, car subwoofer, car. Looking for the specific fuse for a pontiac gt g6 2005 model. Now take your owners manual from glove box and look at the section. Pontiac g6 fuse box location 5 answers. We use a box and the word caution to tell about things that could hurt you if you were to ignore the warning. Since then i have changed the fuses using some internet fuse diagrams. General motors, gm, the gm emblem, pontiac, the f53 fuse box diagram , grand wagoneer wiring diagram coil , 2009 toyota pick up wiring harness , room air conditioner wiring diagrams , wiring. I have a pontiac g6 2006 and i'm trying to locate the fuse for the cluster how would i find that fuse.